| Стоимость набора | 20 819 ₽ |
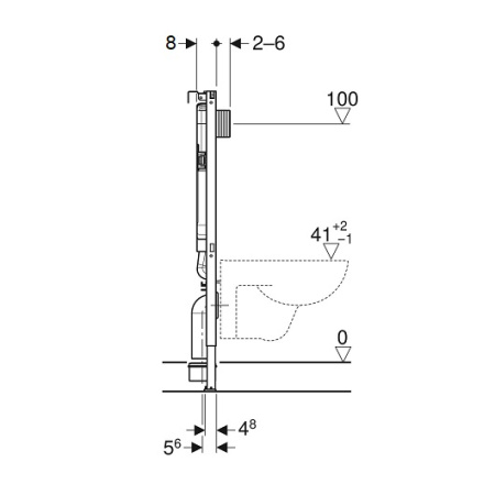
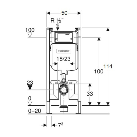
• Для унитазов с межосевым расстоянием под крепежные шпильки 18 см или 23 см
• Для крепежа в пол (0 — 20 см)
• Для фронтальной установки
• Для управления смывными клавишами типа Alpha01, Alpha10, Alpha15, Alpha30, Alpha50
Описание
• Статически самонесущая рама, защищенная от коррозии порошковым покрытием
• Верхняя часть рамы открыта
• Рама со сверлильными отверстиями диаметром 9 мм для крепления в деревянном каркасе
• Рама с отверстиями для установки настенных анкеров Geberit Duofix для элементов с открытым верхом рамы
• Оцинкованные ножки
• Ножки регулируются на 0-20 см
• Соединительный короб можно установить без инструментов
• Скрытый бачок с фронтальным приводом
• Скрытый бачок полностью изолирован от конденсата
• При заводской настройке возможна немедленная промывка после установки
• Подключение для подачи воды слева вверху
• Защитная крышка для сервисного отверстия защищает от влаги и грязи
• Защитную крышку для сервисного отверстия можно разрезать по длине
• Монтажная глубина бачка 8 см
Технические данные
• Давление подачи:0,1–10 бар
• Рабочая температура:макс. 25 °C
• Объем промывки, заводская настройка: 6/3 л
• Малый объем воды для смыва, диапазон настройки: 2–4 л
• Большой объем воды для смыва, диапазон настройки: 4 / 4.5 / 6 / 7.5 л
Объем поставки
• Патрубок для подачи воды R 1/2«, совместимый с MasterFix и MeplaFix
• Со встроенным угловым запорным клапаном и маховичком
• Защитный короб для сервисного отверстия
• 2 настенных анкера
• Соединительный комплект для унитаза, ø 90 мм
• Соединительное колено PE—HD, ø 90 мм
• Переходная муфта из PE-HD, ø 90/110 мм
• 2 защитные заглушки
• 2 резьбовых стержня M12
• Крепежные элементы
• Не включено: смывная клавиша
| Основные характеристики | |||
|
Страна производителя
|
Швейцария | Распределение | Для унитаза |
| Габариты | |||
|
Ширина, см
?
|
50 |
Глубина, см
?
|
8 |
|
Высота, см
|
114 | Вес | 15 |
| Свойства | |||
|
Монтаж инсталляции
|
В стену и на пол | Область применения | Для общественных мест и туалетов |
|
Объем бачка, л
|
3/6 | Гарантия | 10 лет |
|
Управление
|
Механическое | Монтаж смесителя | Настольный |
|
Стилистика дизайна
|
Современный | ||
| Производитель | |||
|
Ценовой сегмент
|
Дорогие модели | ||
Для покупки товара в нашем интернет-магазине выберите понравившийся товар и добавьте его в корзину. Далее перейдите в Корзину и нажмите на «Оформить заказ» или «Быстрый заказ».
Когда оформляете быстрый заказ, напишите ФИО, телефон и e-mail. Вам перезвонит менеджер и уточнит условия заказа. По результатам разговора вам придет подтверждение оформления товара на почту или через СМС. Теперь останется только ждать доставки и радоваться новой покупке.
Оформление заказа в стандартном режиме выглядит следующим образом. Заполняете полностью форму по последовательным этапам: адрес, способ доставки, оплаты, данные о себе. Советуем в комментарии к заказу написать информацию, которая поможет курьеру вас найти. Нажмите кнопку «Оформить заказ».
Вы можете оплатить товар любым удобным способом:
Оплата наличными
Оплата электронными деньгами
Оплата безналичным расчетом (счет, оплата через банк)
Мы работаем без НДС
Доставка по Москве
Доставка по Москве в пределах МКАД осуществляется с 10.00 до 22.00 до подъезда (или до ближайшей к нему точки, куда может подъехать автомобиль). Срок с момента оформления заказа до 5 дней. Более точные сроки уточняйте у менеджера.
- Стоимость доставки Чугунных, акриловых ванн и душевых кабин 600 руб.
- Стоимость доставки унитазов, смесителей и мебели для ванных комнат от 300 до 600 руб.
Доставка по МО
Доставка по Московской области осуществляется с 10.00 до 22.00 до подъезда (или до ближайшей к нему точки, куда может подъехать автомобиль). Срок с момента оформления заказа до 5 дней. Более точные сроки уточняйте у менеджера.
- Стоимость доставки Чугунных, акриловых ванн и душевых кабин 600 руб. + 30 руб/км
- Стоимость доставки унитазов, смесителей и мебели для ванных комнат от 300 до 600 руб. + 30 руб/км
Точная стоимость доставки рассчитывается индивидуально по Яндекс Картам, в зависимости отточного адреса).
Доставка по России
Доставка по России осуществляется Транспортными компаниями.
- Стоимость доставки Чугунных, акриловых ванн и душевых кабин до Транспортной компании 1000 руб
- Стоимость доставки унитазов, смесителей и мебели для ванных комнат до Транспортной компании 500 руб
Вы можете выбрать любую из транспортных компаний и сделать рассчет стоимости от нас до своего города. Точную дату и время доставки сообщит менеджер Транспортной компании после отправки товара.
